Hans und ich ham uns mal wieder was überlegt.
Wir wollten uns ein Board bauen, mit dem wir unsere Standardhardware ohne Fädelaufbauten leicht ansteuern können
Jedes mal herauszusuchen, welche ESP32 Pins für was geeignet sind ist auf Dauer etwas nervig
und Fädelaufbauten sind sehr fehleranfällig.
Wir wollten daher einfach eine solide Plattform für Alles Mögliche.
Wir wollten:
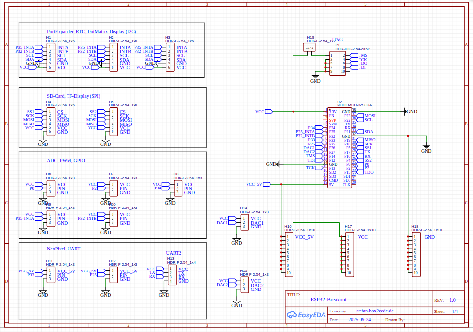
- Vernünftige JTAG-Schnittstelle für Debugging mit dem ESP-Prog aus VSCode heraus (mit PlatformIO)
- I2C-Schnittstelle die direkt für MCP23017, PCF8574 (beides Portexpander) für DotMatrixDisplays und unsere RTC passt
- SPI-Schnittstele die auf einen SD-Karten-Adapter oder ein TF-Display passt
- Verstärkte Versorgung für NeoPixel, damit wir auch große Matrixen ansteuern können
Unsere (momentane) Standardhardware:
- MCP23017 => https://www.amazon.de/Waveshare-MCP23017-IO-Expansion-Board/dp/B07P2H1NZG
- DotMatrix-Display über I2C => https://www.amazon.de/AZDelivery-HD44780-Display-Zeichen-Schnittstelle/dp/B07DDGNPX1
- RTC => https://www.amazon.de/Hailege-Uhr-Modul-Echtzeit-Uhr-Modul-RTC-Modul-Batterie/dp/B07XYZ7MCY
- SD-Card-Adapter => https://www.amazon.de/AZDelivery-Reader-Speicher-Memory-Arduino/dp/B077MCQS9P
- ESP-Prog => https://www.amazon.de/Peukerty-Esp-Prog-Downloader-Development-kompatibel-Schwarz/dp/B0BPRNKS8H
- NeoPixel => https://www.amazon.de/GERUI-Steuerungen-Textanzeige-Einzeladressierbare-Vollfarbfunktionen/dp/B0DQSLL8P5
Passende Stecker findet man z.B. hier: https://www.amazon.de/QUARKZMAN-Weiblich-Breadboard-Flachbandkabel-mehrfarbig/dp/B0CTKJL1M1
Dafür ham wir uns ein kleines BreakOut-Board für die ESP32-NodeMCU (https://www.amazon.de/gp/product/B0D9BTQRYT)
entworfen (weil die schon Stecker hat und sich einfach auflöten lässt)
Unser Board:

Und unser Schaltplan:

Gerber-Dateien kommen, wenn wir uns sicher sind, das Alles funktioniert.
Teststatus:
SPI => OK
I2C => OK (Achtung DotMatrix-Display braucht 5V – ham wir ned wirklich berücksichtigt)
JTAG => OK
Probleme:
Layout für NodeMCU ist etwas zu schmal – man muss ganz schön quetschen dass man das Modul nei bekommt 🙁